Внимание! Уважаемые пользователи. Каталог запчастей доступен только в демонстрационном режиме. Заказать запасные части и аксессуары вы можете у
официальных дилеров.
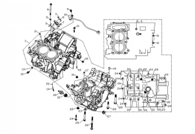
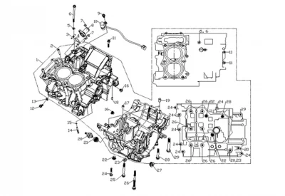
Каталог - двигатель LX500-T
Заказать запчасти для двигателя LX500-T. Двигатель совместим с Мотоцикл VOGE DS525X. Каталог запчастей с парт-диаграммами. Оплата картой. Доставка по России
Мы используем cokkie и электронные данные для улучшения работы сайта. Оставаясь на сайте, вы соглашаетесь с условиями обработки cookie. Запретить обработку cookies можно в настройках вашего браузера.