Внимание! Уважаемые пользователи. Каталог запчастей доступен только в демонстрационном режиме. Заказать запасные части и аксессуары вы можете у
официальных дилеров.
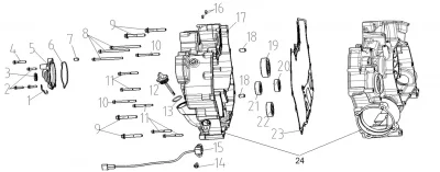
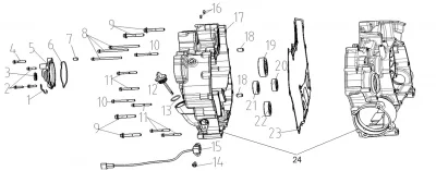
Каталог - двигатель СVT500
Заказать запчасти для двигателя СVT500. Двигатель совместим с Квадроцикл Loncin XWOLF 550L. Каталог запчастей с парт-диаграммами. Оплата картой. Доставка по России
Мы используем cokkie и электронные данные для улучшения работы сайта. Оставаясь на сайте, вы соглашаетесь с условиями обработки cookie. Запретить обработку cookies можно в настройках вашего браузера.