Top.Mail.Ru
Внимание! Уважаемые пользователи.
Каталог запчастей доступен только в демонстрационном режиме. Заказать запасные части и аксессуары вы можете у официальных дилеров.

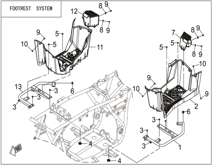
Запчасти - Подножки

Купить запчасти - Подножки совместим c Квадрицикл Loncin XWOLF 300 Max (TRV350PRO). Всего 13 позиций. Оплата картой доставка по России.

№ на схеме Наименование Заказать
1
Кронштейн подножки левый
311670078-0001
Цена:
2506.00
Кол. на схеме:
1
2
Цена:
5055.60
Кол. на схеме:
1
3
Болт M8*L16
380140040-0012
Цена:
20.00
Кол. на схеме:
8
4
Гайка М8
380370010-0005
Цена:
12.00
Кол. на схеме:
2
5
Болт М6*L16
380710015-0003
Цена:
30.00
Кол. на схеме:
8
6
Заглушка
381000349-0001
Цена:
12.00
Кол. на схеме:
2
7
Опора ног пассажира левая
312360010-0001
Цена:
541.00
Кол. на схеме:
1
8
Клипса с резьбой М6
380420035-0004
Цена:
12.00
Кол. на схеме:
4
9
Болт М6*L16
380190001-0007
Цена:
16.50
Кол. на схеме:
16
10
Гайка М6
380400004-0009
Цена:
17.00
Кол. на схеме:
12
11
Цена:
5055.60
Кол. на схеме:
1
12
Опора ног пассажира правая
312370010-0001
Цена:
541.00
Кол. на схеме:
1
13
Кронштейн подножки правый
311680078-0001
Цена:
2506.00
Кол. на схеме:
1